Настройка и ремонт частотных преобразователей SEW EURODRIVE в Тольятти
Ремонт частотных преобразователей SEW EURODRIVE в Тольятти
Ремонт частотных преобразователей SEW EURODRIVE в Тольятти, одна из многих услуг предлагаемых сервисным центром "РемПромЭл". Преобразователи частоты относятся к сложной промышленной электронике и состоят из двух взаимосвязанных составляющих- это электронная и силовая часть. Подобное конструктивное исполнение значительно усложняет ремонт частотных преобразователей.
Преобразователь частоты достаточно распространенное промышленное оборудование, и как все подвержены износу. В зависимости от интенсивности использования, нагрузки, среды в которой работает оборудования частотные преобразователи выходят из строя останавливая рабочий процесс.
В целях сомнительной "экономии" некоторые пытаются провести ремонт частотного преобразователя SEW EURODRIVE самостоятельно на территории производства. Зачастую данные действия приводят к значительному удорожанию ремонта а при самом неблагоприятном исходе могут привести к не ремонтопригодности частотника.
В виду вышесказанного настоятельно рекомендуем, не пытайтесь проводить ремонт частотных преобразователей своими силами, обратитесь за помощью к специалистам. Современный специализированный сервисный центр имеет в наличии весь необходимый инструмент, включая специальное диагностическое оборудование, а компетентный персонал проведет качественный ремонт частотных преобразователей SEW EURODRIVE в Тольятти, к тому же сервисные центры дают гарантию на проведенные ремонтные работы.
Ремонт частотных преобразователей SEW EURODRIVE в СЦ "РемПромЭл"
Ремонт частотных преобразователей SEW EURODRIVE в сервисном центре самое разумное и экономически выгодное решение. Грамотные специалисты со знанием дела проведут глубокую диагностику неисправного блока и последующий ремонт частотного преобразователя SEW EURODRIVE в кратчайшие сроки. К написанному можно добавить то, что каждый без исключения ремонт частотного преобразователя SEW EURODRIVE в СЦ "РемПромЭл" проводится с применением оригинальных запасных частей.
В 2013-ом году специалистами компании был проведен первый ремонт частотного преобразователя положивший начало дальнейшему развитию в данном направлении. За прошедшее время были отремонтированы сотни единиц промышленного оборудования и накоплен колоссальный, бесценный опыт в ремонте частотных преобразователей различных производителей.
Сервисный центр "РемПромЭл" оснащен самым современным диагностическим и ремонтным оборудованием, имеются в наличии расходные материалы, а так же на складе компании богатый выбор оригинальных запасных частей, что дает возможность провести качественный ремонт частотных преобразователей SEW EURODRIVE.
Обратившись в СЦ за ремонтом частотных преобразователей SEW EURODRIVE в Тольятти вы получите:
- Глубокую диагностику с выявлением неисправного компонента;
- Чистку неисправного блока;
- Ремонт преобразователя в кратчайшие сроки;
- Настройку частотника;
- Проверку отремонтированного блока на специальном стенде в условиях максимально приближенных к реальным;
- Видео проверки отремонтированного сервопривода.
Отдельное внимание мы уделяем качеству проведения ремонта и даем гарантию на ремонт частотных преобразователей SEW EURODRIVE и на замененные в процессе ремонта запасные части и расходные материалы 6 месяцев.
Настройка частотных преобразователей SEW EURODRIVE в Тольятти
Настройка частотных преобразователей SEW EURODRIVE - это заключительный этап ремонта и в тоже время очень важный. Для правильной работы восстановленного блока просто необходимо провести грамотное программирование частотного преобразователя. Ремонт и дальнейшую настройку преобразователей частоты SEW EURODRIVE выполняют разные специалисты, так как подобная работа довольно сложная и имеет свою специфику.
Настройка частотных преобразователей SEW EURODRIVE в Тольятти или как еще называют программирование частотников неотъемлемая часть процесса ремонта преобразователя, ввиду того, что ремонт силовой части это только половина мероприятий направленных на восстановление работоспособности преобразователя.
В некоторых случаях возникает необходимость провести программирование частотного преобразователя без его ремонта. Причин по которым может возникнуть подобная необходимость масса.
Настройка частотного преобразователя SEW EURODRIVE может быть и отдельной услугой предоставляемой сервисным центром "РемПромЭл". Инженеры компании проведут необходимую настройку преобразователей SEW EURODRIVE в Тольятти как на территории сервисного центра так и с выездом на территорию заказчика (по предварительной договоренности).
От качественной настройки преобразователя частоты зависит правильная и безаварийная работа связки частотника и серводвигателя, а для этого требуется не много, просто программирование частотного преобразователя SEW EURODRIVE должен проводить компетентный персонал с богатым опытом по настройке частотников.
Подключение частотных преобразователей
Подключение частотных преобразователей SEW EURODRIVE к оборудованию заказчика это еще одна услуга предоставляемая нашей компанией. В случае необходимости специалист центра выполнит подключение преобразователя частоты SEW EURODRIVE с выездом на территорию заказчика.
В некоторых случаях на производстве может быть дефицит квалифицированны кадров которые могли бы произвести качественное подключение частотного преобразователя, по этому мы предлагаем услуги нашего сервисного центра.
Свяжитесь с нашими менеджерами и закажите выезд специалиста, и подключением частотного преобразователя SEW EURODRIVE займется инженер сервисного центра. В случае заказа на подключение частотных преобразователей SEW EURODRIVE силами наших специалистов вы получаете гарантию качества и работоспособности вашего оборудования.
Доверяя работу по подключению преобразователей частоты профессионалам, вы избавляетесь от головной боли и гарантированно получаете работающее оборудование в кратчайшие сроки и за разумную цену.
Ошибки частотных преобразователей
Каждый частотник, оснащен информационной панелью с помощью которой проходит процесс программирования частотных преобразователей, а так же на данную информационную панель в случае нештатной ситуации выводятся коды ошибок которые привели к остановке оборудования.
У каждого производителя разные коды ошибок у кого то это могут быть цифровые обозначения у кого то буквенные, но вся прелесть заключается в том, что открыв документацию и расшифровав код ошибки частотного преобразователя мы с большой долей вероятности можем исправить эту ошибку на месте, сбросить ее на частотнике и запустить оборудование заново.
К сожалению не все ошибки частотных преобразователей SEW EURODRIVE можно исправить и сбросить самостоятельно, в некоторых случаях придется обращаться к специалистам сервисного центра.
Самые распространенные ошибки частотных преобразователей SEW EURODRIVE:
- Превышение тока;
- Перенапряжение или недостаточное напряжение;
- Перегрузка;
- Ошибка сигнала энкодера;
- Превышение температуры IGBT-модуля ;
- Ошибка связи;
- Обрыв фазы питания;
- Короткое замыкание.
Это не полный список распространенных ошибок частотных преобразователей SEW EURODRIVE которые можно сбросить самостоятельно без обращения к специалистам.
Таблица основных ошибок и неисправностей VLT® AutomationDrive FC 300
| № | Идентификация | Реакция | Возможная причина | Необходимые действия |
|---|---|---|---|---|
| 00 | Нет ошибок | - | - | - |
| 01 | Избыточный ток | Немедленное выключение с блокировкой |
|
|
| 03 | Замыкание на землю | Немедленное выключение с блокировкой |
|
|
| 04 | Тормозной прерыватель | Немедленное выключение с блокировкой |
|
|
| 06 | Обрыв фазы в электросети. | Немедленное выключение с блокировкой (только для 3-фазного преобразователя) |
|
|
| 07 | Повышенное напряжение в промежуточном звене | Немедленное выключение с блокировкой |
|
|
|
|
|||
| 08 | Контроль частоты вращения | Немедленное выключение с блокировкой |
Регулятор тока работает на предельных значениях из-за:
|
|
|
|
|||
| 09 | Ввод в эксплуатацию | Немедленное выключение с блокировкой |
|
|
| 10 | Запрещенная команда IPOS | Остановка с блокировкой Только с IPOS |
|
|
| 11 | Перегрев | Остановка с блокировкой |
|
|
| 17...24 | Сбой системы | Немедленное выключение с блокировкой |
|
|
| 25 | EEPROM | Остановка с блокировкой |
|
|
| 26 | Внешняя неисправность | Программируемая |
|
|
| 31 | Защита TF/TH | Остановка с блокировкой |
|
|
|
|
|||
| 32 | Переполнение индекса IPOS | Остановка с блокировкой |
|
|
| 34 | Тайм-аут по темпу | Немедленное выключение с блокировкой |
|
|
| 36 | Отсутствие дополнительного устройства | Немедленное выключение с блокировкой |
|
|
|
|
|||
| 37 | Контрольный таймер системы | Немедленное выключение с блокировкой |
|
|
| 38 | Системное ПО | Немедленное выключение с блокировкой |
|
|
| 43 | Тайм-аут RS-485 | Остановка без блокировки2) |
|
|
| 44 | Степень использования преобразователя | Немедленное выключение с блокировкой |
|
|
| 45 | Инициализация | Немедленное выключение с блокировкой |
|
|
| 47 | Тайм-аут системной шины 1 | Остановка без блокировки |
|
|
| 77 | Управляющее слово IPOS | Остановка с блокировкой |
|
|
| 80 | Проверка RAM | Немедленное выключение |
|
|
| 81 | Условия пуска | Немедленное выключение с блокировкой |
Только в режиме работы "VFC & HOIST": Во время предварительного намагничивания ток двигателя не достигает требуемой величины:
|
|
|
|
|||
| 82 | Выход разомкнут | Немедленное выключение с блокировкой |
Только в режиме работы "VFC & HOIST":
|
|
| 84 | Защита двигателя | Остановка с блокировкой |
|
|
| 94 | Контрольная сумма EEPROM | Немедленное выключение с блокировкой |
|
|
| 97 | Ошибка копирования | Немедленное выключение с блокировкой |
|
Перед квитированием сигнала о неисправности:
|
| 98 | CRC Неисправность Flash-памяти | Немедленное выключение |
|
|
| 100 | Вибрация / Предупреждение | Индикация неисправности |
|
|
| 101 | Вибрация / Неисправность |
Быстрый стоп |
|
|
| 102 | Старение масла / Предупреждение | Индикация неисправности |
|
|
| 103 | Старение масла / Неисправность | Индикация неисправности |
|
|
| 104 | Старение масла/ Перегрев | Индикация неисправности |
|
|
| 105 | Старение масла / сигнал готовности | Индикация неисправности |
|
|
| 106 | Износ тормоза | Индикация неисправности |
|
|
| 110 | Ошибка "Защита Ex e" | Остановка с блокировкой |
|
|
| 113 | Обрыв провода аналогового входа | Программируемая |
|
|
1) Настройка контроля частоты вращения производится изменением параметров 500 / 502 и 501 / 503. При снятии или при установке слишком большой задержки не обеспечивается надежная блокировка проворачивания подъемных устройств. 2) Сброс необязателен, сигнал о неисправности исчезает после восстановления связи.
1) Настройка контроля частоты вращения производится изменением параметров 500 / 502 и 501 / 503. При снятии или при установке слишком большой задержки не обеспечивается надежная блокировка проворачивания подъемных устройств.
2) Сброс необязателен, сигнал о неисправности исчезает после восстановления связи.
Документация
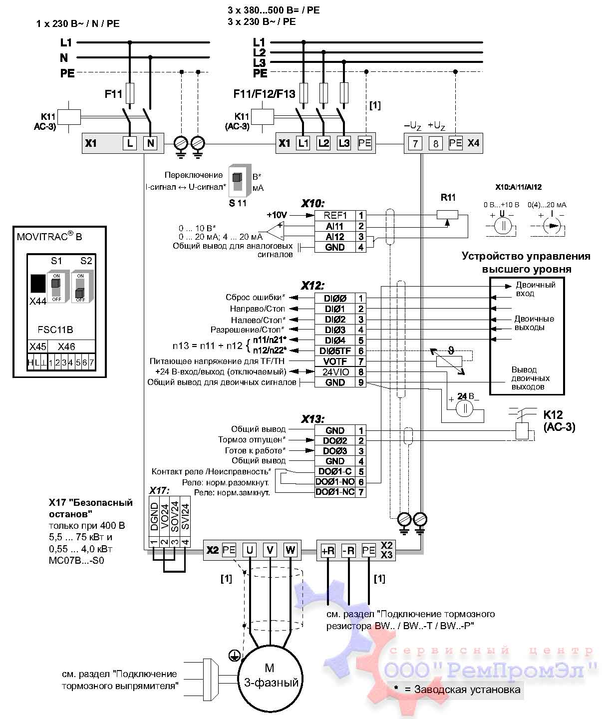
Типовая схема подключения ПЧ SEW EURODRIVE
| Схематический черчеж базовой схемы подключения частотного преобразователя SEW EURODRIVE MOVITRAC | |
![]() |
Частотные преобразователи SEW EURODRIVE: надежность и эффективность в каждом движении

астотные преобразователи SEW EURODRIVE представляют собой высокотехнологичное оборудование, которое позволяет управлять скоростью вращения электродвигателей. Эти устройства стали незаменимыми в современной промышленности благодаря своей способности оптимизировать энергопотребление и повышать эффективность производственных процессов.
Преимущества частотных преобразователей SEW EURODRIVE
Качество и надежность — главные характеристики продукции SEW EURODRIVE. Компания, имеющая более чем 100-летний опыт в производстве приводной техники, гарантирует высочайший стандарт качества каждого изделия. Частотные преобразователи этой марки отличаются:
- Высокой точностью управления
- Увеличенным сроком службы
- Минимальными потерями энергии
- Простотой интеграции в существующие системы
Области применения
Промышленное применение частотных преобразователей SEW EURODRIVE охватывает множество отраслей:
- Металлургическая промышленность
- Химическое производство
- Пищевая промышленность
- Горнодобывающая отрасль
- Системы водоснабжения и водоотведения
Экономическая эффективность
Инвестиции в оборудование SEW EURODRIVE окупаются за счет:
- Снижения энергопотребления
- Увеличения срока службы электродвигателей
- Повышения производительности
- Уменьшения затрат на ремонт
Частотные преобразователи SEW EURODRIVE — это надежное решение для автоматизации производственных процессов. Сервисный центр «РемПромЭл» в Тольятти обеспечивает профессиональное обслуживание и ремонт данного оборудования, гарантируя бесперебойную работу вашего производства.
Сервисное обслуживание
Сервисный центр “РемПромЭл” предлагает комплексное обслуживание частотных преобразователей SEW EURODRIVE. Наши специалисты проводят профессиональную диагностику оборудования, выполняют ремонт любой сложности, осуществляют калибровку и настройку параметров работы. Мы также предоставляем услуги профилактического обслуживания и обеспечиваем поставку оригинальных запчастей для своевременного устранения неисправностей.
Выбор частотных преобразователей SEW EURODRIVE – это инвестиция в надежное и эффективное оборудование, которое обеспечит стабильную работу вашего производства. Профессиональное обслуживание специалистами “РемПромЭл” гарантирует длительную и безотказную работу преобразователей, позволяя вам сосредоточиться на основной деятельности.
Свяжитесь с нашими специалистами для получения консультации или записи на обслуживание – мы поможем подобрать оптимальное решение для ваших задач и обеспечим его надежную эксплуатацию.
Типы частотных преобразователей SEW EURODRIVE
| Частотник | Тип частотного преобразователя |
|---|---|
| SEW EURODRIVE | MDX61B0110-5A3-4-00; MC07B0008-5A3-4-00/FSC11B; MC-LTE-B0004-101-1-00; MC-LTE-B0008-101-1-00; MC-LTE-B0011-101-4-00; MC-LTE-B0004-2B1-1-00; MC-LTE-B0008-2B1-1-00; MC-LTE-B0015-2B1-1-00; MC-LTE-B0015-2B1-4-00; MC-LTE-B0022-2B1-4-00; MC-LTE-B0040-2B1-4-00; MC-LTP-B0030-2A3-4-00; MC-LTP-B0040-2A3-4-00; MC-LTP-B0055-2A3-4-00; MC-LTP-B0008-5A3-1-00; MC-LTP-B0015-5A3-4-00; MC-LTP-B0022-5A3-4-00; MC-LTP-B0040-5A3-4-00; MC-LTP-B0055-5A3-4-00; MC-LTP-B0075-5A3-4-00; MC-LTP-B0110-5A3-4-00; MC-LTP-B0008-603-4-00; MC-LTP-B0015-603-4-00; MC-07B-0055-5A3-4-00; MC-07B-0075-5A3-4-00; MC-07B-0110-5A3-4-00; MC-07B-0150-503-4-00; MC-07B-0220-503-4-00; MC-07B-0300-503-4-00; MC-07B-0450-503-4-00; MC-07B-0550-503-4-00; MC-07B-0750-503-4-00; MD-X60-61B-0005-5A3-4-0; MD-X60-61B-0008-5A3-4-0; MD-X60-61B-0011-5A3-4-0; MUW-A055-231-S00-00/PF; MUW-A025-233-S00-00; MUW-A037-233-S00-00; MUW-A025-503-S00-00; MUW-A037-503-S00-00; MUW-A055-503-S00-00 0; MUW-A075-503-S00-00/PF; MUW-A110-503-S00-00/PF; MC-LTP-B0008-2B1-4-10; MC-LTP-B0015-2B1-4-10; MC-LTP-B0022-2B1-4-10; MC-LTP-B0008-2A3-4-10; MC-LTP-B0075-603-4-10; MC-LTP-B0110-603-4-10; MC-LTP-B0150-603-4-10; MC-LTP-B0185-603-4-10; MC-LTP-B0220-603-4-10; MC-LTP-B0300-603-4-10; MC-LTP-B0370-603-4-10; MC-LTP-B0450-603-4-10; MC-LTP-B0550-603-4-10; MC-LTP-B0750-603-4-10; MC-LTP-B0900-603-4-10; MC-LTP-B1100-603-4-10; MDX61B1100-503-4-0; MDX61B1320-503-4-0; MDX61B1600-503-4-0; MDX61B2000-503-4-0; MDX61B2500-503-4-0; MDX61B0015-2A3-4-0; MDX61B0022-2A3-4-0; MDX61B0037-2A3-4-0; MDX61B0055-2A3-4-0; MDX61B0075-2A3-4-0; MDX61B0110-203-4-0; MDX61B0150-203-4-0 |
В таблице указаны далеко не все типы частотных преобразоватетей SEW EURODRIVE ремонт которых предлагает наш сервисный центр. Мы предлагаем качественный ремонт частотных преобразователей SEW EURODRIVE в Тольятти абсолютно любого года выпуска.
Оставить заявку на ремонт частотного преобразователя SEW EURODRIVE
От того как и из каких комплектующих будет проводиться ремонт преобразователя зависит на сколько долго он сможет проработать в дальнейшем. Сделав правильный выбор, обратившись в сервисный центр "РемПромЭл" вы получите отремонтированный частотник в самые кратчайшие сроки, при этом мы стараемся использовать только оригинальные запасные части, на сколько это возможно, что дает возможность без каких либо рисков давать длинный гарантийный срок.
У вас есть проблемы с частотником? Вам нужен срочный ремонт частотного преобразователя SEW EURODRIVE или его настройка? Оставьте заявку на ремонт частотника SEW EURODRIVE в Тольятти воспользовавшись одноименной кнопкой на сайте либо обратитесь к нашим менеджерам. Связаться с ними можно несколькими способами:

- Заказав обратный звонок (кнопка в правом верхнем углу сайта)
- Посредством чата (кнопка расположена с левой стороны сайта)
- Позвонив по номеру телефона: +7(927)610-78-70; +7(848)255-80-30
- Написав на электронную почту: Адрес электронной почты защищен от спам-ботов. Для просмотра адреса в вашем браузере должен быть включен Javascript.













