Настройка и ремонт частотных преобразователей Hyundai в Тольятти
Ремонт частотных преобразователей Hyundai в Тольятти
Ремонт частотных преобразователей Hyundai в Тольятти, одна из многих услуг предлагаемых сервисным центром "РемПромЭл". Преобразователи частоты относятся к сложной промышленной электронике и состоят из двух взаимосвязанных составляющих- это электронная и силовая часть. Подобное конструктивное исполнение значительно усложняет ремонт частотных преобразователей.
Преобразователь частоты достаточно распространенное промышленное оборудование, и как все подвержены износу. В зависимости от интенсивности использования, нагрузки, среды в которой работает оборудования частотные преобразователи выходят из строя останавливая рабочий процесс.
В целях сомнительной "экономии" некоторые пытаются провести ремонт частотного преобразователя Hyundai самостоятельно на территории производства. Зачастую данные действия приводят к значительному удорожанию ремонта а при самом неблагоприятном исходе могут привести к не ремонтопригодности частотника.
В виду вышесказанного настоятельно рекомендуем, не пытайтесь проводить ремонт частотных преобразователей своими силами, обратитесь за помощью к специалистам. Современный специализированный сервисный центр имеет в наличии весь необходимый инструмент, включая специальное диагностическое оборудование, а компетентный персонал проведет качественный ремонт частотных преобразователей Hyundai в Тольятти, к тому же сервисные центры дают гарантию на проведенные ремонтные работы.
Ремонт частотных преобразователей Hyundai в СЦ "РемПромЭл"
Ремонт частотных преобразователей Hyundai в сервисном центре самое разумное и экономически выгодное решение. Грамотные специалисты со знанием дела проведут глубокую диагностику неисправного блока и последующий ремонт частотного преобразователя Hyundai в кратчайшие сроки. К написанному можно добавить то, что каждый без исключения ремонт частотного преобразователя Hyundai в СЦ "РемПромЭл" проводится с применением оригинальных запасных частей.
В 2013-ом году специалистами компании был проведен первый ремонт частотного преобразователя положивший начало дальнейшему развитию в данном направлении. За прошедшее время были отремонтированы сотни единиц промышленного оборудования и накоплен колоссальный, бесценный опыт в ремонте частотных преобразователей различных производителей.
Сервисный центр "РемПромЭл" оснащен самым современным диагностическим и ремонтным оборудованием, имеются в наличии расходные материалы, а так же на складе компании богатый выбор оригинальных запасных частей, что дает возможность провести качественный ремонт частотных преобразователей Hyundai.
Обратившись в СЦ за ремонтом частотных преобразователей Hyundai в Тольятти вы получите:
- Глубокую диагностику с выявлением неисправного компонента;
- Чистку неисправного блока;
- Ремонт преобразователя в кратчайшие сроки;
- Настройку частотника;
- Проверку отремонтированного блока на специальном стенде в условиях максимально приближенных к реальным;
- Видео проверки отремонтированного сервопривода.
Отдельное внимание мы уделяем качеству проведения ремонта и даем гарантию на ремонт частотных преобразователей Hyundai и на замененные в процессе ремонта запасные части и расходные материалы 6 месяцев.
Настройка частотных преобразователей Hyundai в Тольятти
Настройка частотных преобразователей Hyundai - это заключительный этап ремонта и в тоже время очень важный. Для правильной работы восстановленного блока просто необходимо провести грамотное программирование частотного преобразователя. Ремонт и дальнейшую настройку преобразователей частоты Hyundai выполняют разные специалисты, так как подобная работа довольно сложная и имеет свою специфику.
Настройка частотных преобразователей Hyundai в Тольятти или как еще называют программирование частотников неотъемлемая часть процесса ремонта преобразователя, ввиду того, что ремонт силовой части это только половина мероприятий направленных на восстановление работоспособности преобразователя.
В некоторых случаях возникает необходимость провести программирование частотного преобразователя без его ремонта. Причин по которым может возникнуть подобная необходимость масса.
Настройка частотного преобразователя Hyundai может быть и отдельной услугой предоставляемой сервисным центром "РемПромЭл". Инженеры компании проведут необходимую настройку преобразователей Hyundai в Тольятти как на территории сервисного центра так и с выездом на территорию заказчика (по предварительной договоренности).
От качественной настройки преобразователя частоты зависит правильная и безаварийная работа связки частотника и серводвигателя, а для этого требуется не много, просто программирование частотного преобразователя Hyundai должен проводить компетентный персонал с богатым опытом по настройке частотников.
Подключение частотных преобразователей
Подключение частотных преобразователей Hyundai к оборудованию заказчика это еще одна услуга предоставляемая нашей компанией. В случае необходимости специалист центра выполнит подключение преобразователя частоты Hyundai с выездом на территорию заказчика.
В некоторых случаях на производстве может быть дефицит квалифицированны кадров которые могли бы произвести качественное подключение частотного преобразователя, по этому мы предлагаем услуги нашего сервисного центра.
Свяжитесь с нашими менеджерами и закажите выезд специалиста, и подключением частотного преобразователя Hyundai займется инженер сервисного центра. В случае заказа на подключение частотных преобразователей Hyundai силами наших специалистов вы получаете гарантию качества и работоспособности вашего оборудования.
Доверяя работу по подключению преобразователей частоты профессионалам, вы избавляетесь от головной боли и гарантированно получаете работающее оборудование в кратчайшие сроки и за разумную цену.
Ошибки частотных преобразователей
Каждый частотник, оснащен информационной панелью с помощью которой проходит процесс программирования частотных преобразователей, а так же на данную информационную панель в случае нештатной ситуации выводятся коды ошибок которые привели к остановке оборудования.
У каждого производителя разные коды ошибок у кого то это могут быть цифровые обозначения у кого то буквенные, но вся прелесть заключается в том, что открыв документацию и расшифровав код ошибки частотного преобразователя мы с большой долей вероятности можем исправить эту ошибку на месте, сбросить ее на частотнике и запустить оборудование заново.
К сожалению не все ошибки частотных преобразователей Hyundai можно исправить и сбросить самостоятельно, в некоторых случаях придется обращаться к специалистам сервисного центра.
Самые распространенные ошибки частотных преобразователей Hyundai:
- Превышение тока;
- Перенапряжение или недостаточное напряжение;
- Перегрузка;
- Ошибка сигнала энкодера;
- Превышение температуры IGBT-модуля ;
- Ошибка связи;
- Обрыв фазы питания;
- Короткое замыкание.
Ошибки ПЧ Hyundai N700E
Для защиты самого инвертора предоставляются различные функции, но они могут также выполнять защитные функции при поломке инвертора.
| Код | Описание | Причина |
|---|---|---|
| E04 | Защита от перегрузки по току. | Когда выходной ток инвертора превышает номинальный ток более чем на 200% во время блокировки двигателя или при резком снижении его скорости. Защитная цепь активируется, отключается выход инвертора. |
| E05 | Защита от перегрузки (электронная термальная) Регенеративная. | Когда выходной ток инвертора приводит к перегрузке двигателя, электронный тепловой выключатель в инверторе отключает выход инвертора. |
| E07 | Защита от чрезмерного напряжения. | Если регенеративная энергия от двигателя или сетевое напряжение высокие, защитная цепь активируется для отключения выхода инвертора, когда напряжение вставки постоянного тока превышает спецификацию. |
| E60 | Ошибка связи. | Выход инвертора отключается, если линия связи инвертора имеет ошибку, вызванную внешней помехой, чрезмерным повышением температуры или другим фактором. |
| E09 | Защита от пониженного напряжения. | Когда входное напряжение падает ниже уровня выявления низкого напряжения, цепь управления не работает правильно. Таким образом, когда входное напряжение ниже спецификации, выход инвертора отключен. |
| E04 или E34 |
Короткое замыкание выхода. | На выходе инвертора произошло короткое замыкание. Такое состояние вызывает чрезмерный ток на инвертор, и поэтому выход инвертора отключается. |
| E13 | Ошибка USP. | Ошибка USP отображается при включенном питании, когда инвертор находится в положении ПУСК. (Включается при выборе функции USP). |
| E08 | Электрически-стираемое. Программируемое ПЗУ. |
Вывод инвертора отключается, когда электрически стираемое программируемое ПЗУ инвертора имеет ошибку, вызванную внешней помехой, чрезмерным повышением температуры или другим фактором. |
| E12 | Внешнее отключение. | Когда имеется ошибка во внешнем оборудовании или установке, инвертор получает соответствующий сигнал и отключает выход. |
| E21 | Температурное отключение. | Когда температура в основной цепи увеличивается в связи с остановкой вентилятора охлаждения, выход инвертора отключается (только для типа модели с охлаждающим вентилятором). |
| E14 | Замыкание на землю. | При выявлении замыкания на землю в работающем состоянии, выход отключается. |
| E17 | Защита инвертора от перегрузки. | IGBT защищены от перегруза. Время работы инвертора 1 минута при 150% нагрузке. Время работы изменяется в зависимости от несущей частоты, нагрузки, температуры окружающей среды и мощности. |
| E20 | Потеря фазы на выходе | Функция, которая обнаруживает обрыв фазы в источнике переменного тока. Обнаружение осуществляется при помощи колебаний напряжения постоянного тока основной схемы. |
Документация
| Руководство по эксплуатации частотного преобразователя Hyundai N700E - Скачать в формате PDF | ![]() |
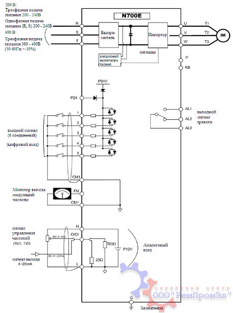
Типовые схемы подключения ПЧ Hyundai
| Схематический черчеж базовой схемы подключения частотного преобразователя Hyundai N700E | |
![]() |
Частотные преобразователи Hyundai: надежность, ремонт и обслуживание в Тольятти

Современное промышленное оборудование в Тольятти, будь то на предприятиях автопрома или в сфере ЖКХ, все чаще основывается на использовании электроприводов. Сердцем такого привода является частотный преобразователь, или, как его еще называют, инвертор. Это устройство позволяет точно управлять скоростью вращения асинхронных электродвигателей, обеспечивая плавный пуск, остановку и значительную экономию электроэнергии. Среди множества брендов на рынке уверенно выделяются частотные преобразователи Hyundai. Их популярность в нашем городе обусловлена оптимальным соотношением цены, качества и функциональности. Однако, как и любое сложное электронное устройство, они требуют профессионального подхода к обслуживанию и ремонту. Сервисный центр "РемПромЭл" в Тольятти специализируется на решении любых задач, связанных с восстановлением работоспособности преобразователей частоты этого корейского бренда.
Особенности и преимущества частотных преобразователей Hyundai
Частотные преобразователи Hyundai Electric заслужили доверие технических специалистов в Тольятти и по всей России благодаря ряду неоспоримых преимуществ. Эти устройства демонстрируют высокую надежность даже в условиях сложной промышленной среды, где присутствуют перепады напряжения, запыленность и вибрации. Продукция Hyundai отличается продуманной конструкцией, качественной элементной базой и широким модельным рядом, охватывающим потребности как малого бизнеса, так и крупных промышленных комплексов. Многие модели обладают стандартным набором интерфейсов для легкой интеграции в существующие системы автоматизации, что особенно ценно для модернизации станочного парка на предприятиях города. Эргономичное управление и понятный интерфейс упрощают настройку и эксплуатацию, а встроенные функции защиты эффективно оберегают электродвигатель от перегрузок, короткого замыкания и перегрева.
Типичные неисправности и необходимость профессионального ремонта
Несмотря на высокую надежность, частотные преобразователи Hyundai могут выходить из строя. Наиболее распространенными причинами поломок являются: скачки напряжения в сети Тольятти, попадание влаги или металлической пыли внутрь корпуса, неправильный монтаж, превышение допустимой нагрузки или естественный износ компонентов. Чаще всего мастера сервисного центра "РемПромЭл" сталкиваются с неисправностями силовой части — выходом из строя IGBT-транзисторов, диодных мостов, плат питания. Нередко возникают проблемы и в системе управления: сбои в работе процессора, дефекты оптронных развязок, выход из строя датчиков тока. Самостоятельный ремонт частотного преобразователя без глубоких знаний и специального оборудования не только невозможен, но и крайне опасен. Непрофессиональное вмешательство часто приводит к усугублению неисправности и последующим дорогостоящим последствиям для всего электропривода.
Сервисное обслуживание
Сервисный центр “РемПромЭл” предлагает комплексное обслуживание частотных преобразователей Hyundai. Наши специалисты проводят профессиональную диагностику оборудования, выполняют ремонт любой сложности, осуществляют калибровку и настройку параметров работы. Мы также предоставляем услуги профилактического обслуживания и обеспечиваем поставку оригинальных запчастей для своевременного устранения неисправностей.
Выбор частотных преобразователей Hyundai – это инвестиция в надежное и эффективное оборудование, которое обеспечит стабильную работу вашего производства. Профессиональное обслуживание специалистами “РемПромЭл” гарантирует длительную и безотказную работу преобразователей, позволяя вам сосредоточиться на основной деятельности.
Свяжитесь с нашими специалистами для получения консультации или записи на обслуживание – мы поможем подобрать оптимальное решение для ваших задач и обеспечим его надежную эксплуатацию.
Типы частотных преобразователей Hyundai
| Частотник | Тип частотного преобразователя |
|---|---|
| Hyundai | N50-007SF; N50 -015SF; N50 -022SF; N100-004SF; N100-007LF; N100-004HF; N100-015SF; N100- 007HF; N100-037LF; N100-037HF; N100-055LF; N100-037HFK1.2; N100- 075HFK1.2; N300-055LF; N300-055HF; N300-075LF; N300-110HF; N300-300LF; N300-300HF; N300-550LF; N300-750; N300-900HF; N300-1100HF; N300-055LFP; N300-110LFP; N300-185LFP; N300-300LFP; N300-110HFP; N300-185HFP; N300-300HFP; N300-450HFP; N300-750HFP; N5000-0155L; N5000-0325L; N5000-1500L; N5000-1310M; N5000-1900M; N5000-2460M; N5000-3450H; N5000-4500H; N5000-5000H; N5000-6400H; N700-055LF/055HF; N700-110LF/110HF; N700-185LF/185HF; N700-300LF/300HF; N700-450LF/450HF; N700-750LF/900HF; N700-1100LF/1320HF; N700E-004SF; N700E-015SF; N700E-004LF; N700E-022LF; N700E-075LF; N700E-185HF; N700E-300HF; N700E-550HF; N700E-1100HF |
В таблице указаны далеко не все типы частотных преобразоватетей Hyundai ремонт которых предлагает наш сервисный центр. Мы предлагаем качественный ремонт частотных преобразователей Hyundai в Тольятти абсолютно любого года выпуска.
Оставить заявку на ремонт частотного преобразователя Hyundai
От того как и из каких комплектующих будет проводиться ремонт преобразователя зависит на сколько долго он сможет проработать в дальнейшем. Сделав правильный выбор, обратившись в сервисный центр "РемПромЭл" вы получите отремонтированный частотник в самые кратчайшие сроки, при этом мы стараемся использовать только оригинальные запасные части, на сколько это возможно, что дает возможность без каких либо рисков давать длинный гарантийный срок.
У вас есть проблемы с частотником? Вам нужен срочный ремонт частотного преобразователя Hyundai или его настройка? Оставьте заявку на ремонт частотника Hyundai в Тольятти воспользовавшись одноименной кнопкой на сайте либо обратитесь к нашим менеджерам. Связаться с ними можно несколькими способами:

- Заказав обратный звонок (кнопка в правом верхнем углу сайта)
- Посредством чата (кнопка расположена с левой стороны сайта)
- Позвонив по номеру телефона: +7(927)610-78-70; +7(848)255-80-30
- Написав на электронную почту: Адрес электронной почты защищен от спам-ботов. Для просмотра адреса в вашем браузере должен быть включен Javascript.













