Настройка и ремонт частотных преобразователей DANFOSS в Уфе
Ремонт частотных преобразователей DANFOSS в Уфе
Ремонт частотных преобразователей DANFOSS в Уфе, одна из многих услуг предлагаемых сервисным центром "РемПромЭл". Преобразователи частоты относятся к сложной промышленной электронике и состоят из двух взаимосвязанных составляющих- это электронная и силовая часть. Подобное конструктивное исполнение значительно усложняет ремонт частотных преобразователей.
Преобразователь частоты достаточно распространенное промышленное оборудование, и как все подвержены износу. В зависимости от интенсивности использования, нагрузки, среды в которой работает оборудования частотные преобразователи выходят из строя останавливая рабочий процесс.
В целях сомнительной "экономии" некоторые пытаются провести ремонт частотного преобразователя DANFOSS самостоятельно на территории производства. Зачастую данные действия приводят к значительному удорожанию ремонта а при самом неблагоприятном исходе могут привести к не ремонтопригодности частотника.
В виду вышесказанного настоятельно рекомендуем, не пытайтесь проводить ремонт частотных преобразователей своими силами, обратитесь за помощью к специалистам. Современный специализированный сервисный центр имеет в наличии весь необходимый инструмент, включая специальное диагностическое оборудование, а компетентный персонал проведет качественный ремонт частотных преобразователей DANFOSS в Уфе, к тому же сервисные центры дают гарантию на проведенные ремонтные работы.
Ремонт частотных преобразователей DANFOSS в СЦ "РемПромЭл"
Ремонт частотных преобразователей DANFOSS в сервисном центре самое разумное и экономически выгодное решение. Грамотные специалисты со знанием дела проведут глубокую диагностику неисправного блока и последующий ремонт частотного преобразователя DANFOSS в кратчайшие сроки. К написанному можно добавить то, что каждый без исключения ремонт частотного преобразователя DANFOSS в СЦ "РемПромЭл" проводится с применением оригинальных запасных частей.
В 2013-ом году специалистами компании был проведен первый ремонт частотного преобразователя положивший начало дальнейшему развитию в данном направлении. За прошедшее время были отремонтированы сотни единиц промышленного оборудования и накоплен колоссальный, бесценный опыт в ремонте частотных преобразователей различных производителей.
Сервисный центр "РемПромЭл" оснащен самым современным диагностическим и ремонтным оборудованием, имеются в наличии расходные материалы, а так же на складе компании богатый выбор оригинальных запасных частей, что дает возможность провести качественный ремонт частотных преобразователей DANFOSS.
Обратившись в СЦ за ремонтом частотных преобразователей DANFOSS в Уфе вы получите:
- Глубокую диагностику с выявлением неисправного компонента;
- Чистку неисправного блока;
- Ремонт преобразователя в кратчайшие сроки;
- Настройку частотника;
- Проверку отремонтированного блока на специальном стенде в условиях максимально приближенных к реальным;
- Видео проверки отремонтированного сервопривода.
Отдельное внимание мы уделяем качеству проведения ремонта и даем гарантию на ремонт частотных преобразователей DANFOSS и на замененные в процессе ремонта запасные части и расходные материалы 6 месяцев.
Настройка частотных преобразователей DANFOSS в Уфе
Настройка частотных преобразователей DANFOSS - это заключительный этап ремонта и в тоже время очень важный. Для правильной работы восстановленного блока просто необходимо провести грамотное программирование частотного преобразователя. Ремонт и дальнейшую настройку преобразователей частоты DANFOSS выполняют разные специалисты, так как подобная работа довольно сложная и имеет свою специфику.
Настройка частотных преобразователей DANFOSS в Уфе или как еще называют программирование частотников неотъемлемая часть процесса ремонта преобразователя, ввиду того, что ремонт силовой части это только половина мероприятий направленных на восстановление работоспособности преобразователя.
В некоторых случаях возникает необходимость провести программирование частотного преобразователя без его ремонта. Причин по которым может возникнуть подобная необходимость масса.
Настройка частотного преобразователя DANFOSS может быть и отдельной услугой предоставляемой сервисным центром "РемПромЭл". Инженеры компании проведут необходимую настройку преобразователей DANFOSS в Уфе как на территории сервисного центра так и с выездом на территорию заказчика (по предварительной договоренности).
От качественной настройки преобразователя частоты зависит правильная и безаварийная работа связки частотника и серводвигателя, а для этого требуется не много, просто программирование частотного преобразователя DANFOSS должен проводить компетентный персонал с богатым опытом по настройке частотников.
Подключение частотных преобразователей
Подключение частотных преобразователей DANFOSS к оборудованию заказчика это еще одна услуга предоставляемая нашей компанией. В случае необходимости специалист центра выполнит подключение преобразователя частоты DANFOSS с выездом на территорию заказчика.
В некоторых случаях на производстве может быть дефицит квалифицированны кадров которые могли бы произвести качественное подключение частотного преобразователя, по этому мы предлагаем услуги нашего сервисного центра.
Свяжитесь с нашими менеджерами и закажите выезд специалиста, и подключением частотного преобразователя DANFOSS займется инженер сервисного центра. В случае заказа на подключение частотных преобразователей DANFOSS силами наших специалистов вы получаете гарантию качества и работоспособности вашего оборудования.
Доверяя работу по подключению преобразователей частоты профессионалам, вы избавляетесь от головной боли и гарантированно получаете работающее оборудование в кратчайшие сроки и за разумную цену.
Ошибки частотных преобразователей
Каждый частотник, оснащен информационной панелью с помощью которой проходит процесс программирования частотных преобразователей, а так же на данную информационную панель в случае нештатной ситуации выводятся коды ошибок которые привели к остановке оборудования.
У каждого производителя разные коды ошибок у кого то это могут быть цифровые обозначения у кого то буквенные, но вся прелесть заключается в том, что открыв документацию и расшифровав код ошибки частотного преобразователя мы с большой долей вероятности можем исправить эту ошибку на месте, сбросить ее на частотнике и запустить оборудование заново.
К сожалению не все ошибки частотных преобразователей DANFOSS можно исправить и сбросить самостоятельно, в некоторых случаях придется обращаться к специалистам сервисного центра.
Самые распространенные ошибки частотных преобразователей DANFOSS:
- Превышение тока;
- Перенапряжение или недостаточное напряжение;
- Перегрузка;
- Ошибка сигнала энкодера;
- Превышение температуры IGBT-модуля ;
- Ошибка связи;
- Обрыв фазы питания;
- Короткое замыкание.
Это не полный список распространенных ошибок частотных преобразователей DANFOSS которые можно сбросить самостоятельно без обращения к специалистам.
Таблица основных ошибок и неисправностей VLT® AutomationDrive FC 300
| Признак | Возможная причина | Тест | Решение |
|---|---|---|---|
| Дисплей не светится/нет функции | Нет входного питания | См. Таблица 3.1. | Проверьте источник питания на входе |
| Отсутствуют или открыты предохранители или заблокирован автоматический выключатель | См. возможные причины поломки открытых предохранителей и заблокированного автоматического выключателя в данной таблице. | Следуйте приведенным рекомендациям. | |
| Отсутствует питание на LCP | Убедитесь в правильном подключении кабеля LCP и в отсутствии его повреждений. | Замените неисправную панель LCP или соединительный кабель. | |
| Замыкание на клеммах управляющего напряжения (клеммы 12 или 50) или на всех клеммах управления | Проверьте подачу управляющего напряжения 24 В к клеммам 12/13 — 20–39 или напряжения питания 10 В на клеммах 50–55. | Подключите клеммы надлежащим образом. | |
| Неправильная панель LCP (LCP от VLT® 2800 или 5000/6000/8000/ FCD или FCM) | Используйте только панель LCP 101 (P/N 130B1124) или LCP 102 (P/N. 130B1107). | ||
| Неправильно настроена контрастность | Нажмите кнопку [Status] (Состояние) + ▲/▼, чтобы настроить контрастность. | ||
| Дисплей (LCP) неисправен | Попробуйте подключить другую панель LCP. | Замените неисправную панель LCP или соединительный кабель. | |
| Сбой подачи внутреннего питания или неисправность SMPS | Свяжитесь с поставщиком. | ||
| Прерывистая работа дисплея | Перегрузка питания (SMPS) в связи с проблемами в подключении элементов управления или с неисправностью самого преобразователя частоты. | Для устранения проблем с проводкой подключения элементов управления отключите все провода, отсоединив клеммные колодки. | Если дисплей продолжает светиться, то проблема заключается именно в подключении элементов управления. Проверьте проводку на предмет замыкания или неправильного подключения. Если дисплей продолжает периодически отключаться, дальнейшие шаги следует выполнять в соответствии с процедурой поиска причины неработающего дисплея. |
| Двигатель не вращается | Сервисный выключатель размокнут или нет подключения к двигателю | Проверьте подключение проводки двигателя и убедитесь в отсутствии разрыва цепи (с помощью сервисного выключателя или другого устройства). | Подключите двигатель и проверьте сервисный выключатель. |
| Отсутствует питание от электросети дополнительной платы 24 В пост. тока | Если дисплей функционирует, но изображение не выводится, проверьте подачу питания на преобразователь частоты. | Для работы устройства требуется подать сетевое питание. | |
| Останов LCP | Проверьте, не была ли нажата кнопка [Off] (Выкл.). | Нажмите [Auto On] (Автоматический пуск) или [Hand On] (Ручной пуск) (в зависимости от режима работы) для включения двигателя. | |
| Отсутствует сигнал к запуску (дежурный режим) | Проверьте 5-10 Клемма 18, цифровой вход на предмет правильной настройки клеммы 18 (используйте значения по умолчанию). | Подайте требуемый сигнал пуска на двигатель. | |
| Активен сигнал выбега двигателя (выбег) | Проверьте 5-12 Клемма 27, цифровой вход на предмет правильной настройки клеммы 27 (используйте значения по умолчанию). | Подайте питание 24 В на клемму 27 или запрограммируйте данную клемму на режим Не используется. | |
| Неправильный источник сигнала задания | Проверьте сигнал задания. Местное задание, удаленное задание или задание по шине? Активно ли предустановленное задание? Правильно ли подключены клеммы? Правильно ли отмасштабированы клеммы? Доступен ли сигнал задания? | Запрограммируйте правильные значения. Проверьте 3-13 Место задания. Задайте активное предустановленное задание в группе параметров 3-1* Задания. Проверьте правильность подключения проводки. Проверьте масштабирование клемм. Проверьте сигнал задания. | |
| Двигатель вращается в обратном направлении | Предел вращения двигателя | Проверьте правильность программирования 4-10 Направление вращения двигателя. | Запрограммируйте нужные параметры. |
| Активный сигнал реверса | Проверьте, запрограммирована ли команда реверса для клеммы в группе параметров 5-1* Цифровые входы. | Деактивируйте сигнал реверса. | |
| Неправильное подключение фаз двигателя | См. 3.5 Контроль вращения двигателя в данном руководстве. | ||
| Двигатель не достигает максимальной скорости | Неправильно заданы пределы частоты | Проверьте выходные пределы в 4-13 Верхн.предел скор.двигателя [об/мин], 4-14 Верхний предел скорости двигателя [Гц] и 4-19 Макс. выходная частота | Запрограммируйте правильные пределы. |
| Входной сигнал задания отмасштабирован некорректно | Проверьте масштабирование входного сигнала задания в группах параметров 6-* Реж. аналог.вв/выв и 3-1* Задания. | Запрограммируйте нужные параметры. | |
| Нестабильная скорость двигателя | Возможно, неправильно заданы параметры | Проверьте настройки всех параметров двигателя, включая все настройки компенсации двигателя. В режиме замкнутого контура проверьте настройки ПИД. | Проверьте настройки в группе параметров 1-6* Реж. аналог. входа/выхода. В режиме замкнутого контура проверьте настройки в параметре 20-0* Feedback (Обратная связь). |
| Двигатель вращается тяжело | Возможно чрезмерное намагничивание | Проверьте настройки всех параметров двигателя. | Проверьте настройки в параметрах 1-2* Данные двигателя, 1-3* Доп. данн.двигателя и 1-5* Настр.,нзав.от нагр. |
| Двигатель не затормаживается | Возможно, неправильно настроены параметры торможения. Возможно, выбрано слишком короткое время торможения. | Проверьте параметры торможения. Проверьте настройки времени изменения скорости. | Проверьте группы параметров 2-0* Тормож.пост.током и 3-0* Пределы задания. |
| Разомкнуты силовые предохранители или сработала блокировка разъединителя | Короткое междуфазное замыкание | В междуфазном соединении двигателя или панели — короткое замыкание. Проверьте междуфазное соединение двигателя и панели, чтобы выявить короткое замыкание. | Устраните любые обнаруженные замыкания. |
| Перегрузка двигателя | Перегрузка двигателя во время применения. | Выполните тестирование при запуске и убедитесь, что ток двигателя соответствует спецификациям. Если ток двигателя превышает значение тока при полной нагрузке, указанное на табличке, двигатель может работать только с пониженной нагрузкой. Проверьте характеристики, соответствующие условиям применения. | |
| Слабые контакты | Выполните предпусковую проверку на выявление слабых контактов. | Затяните слабые контакты. | |
| Дисбаланс тока сети превышает 3 % | Проблема с сетевым питанием (см. описание аварийного сигнала 4, Обрыв фазы) | Поверните силовые кабели на одно положение привода: От A до B, от B до C, от C до A. | Если за проводом находится несбалансированная ветвь, то проблема исходит от системы подачи энергии. Проверьте сетевое питание. |
| Проблемы с модулем преобразователя частоты | Поверните силовые кабели на одно положение преобразователя частоты: От A до B, от B до C, от C до A. | Если несбалансированная ветвь находится на той же входной клемме, значит, проблема в модуле. Свяжитесь с поставщиком. | |
| Дисбаланс тока двигателя превышает 3 % | Неисправность двигателя или проводки двигателя | Поверните кабели, выходящие из двигателя, на одно положение: от U до V, от V до W, от W до U. | Если несбалансированная ветвь находится за проводом, значит, проблема в двигателе или в его проводке. Проверьте двигатель и подключение двигателя. |
| Проблемы с модулем преобразователя частоты | Поверните кабели, выходящие из двигателя, на одно положение: от U до V, от V до W, от W до U. | Если несбалансированная ветвь находится на той же выходной клемме, значит, проблема связана с приводом. Свяжитесь с поставщиком. |
Документация
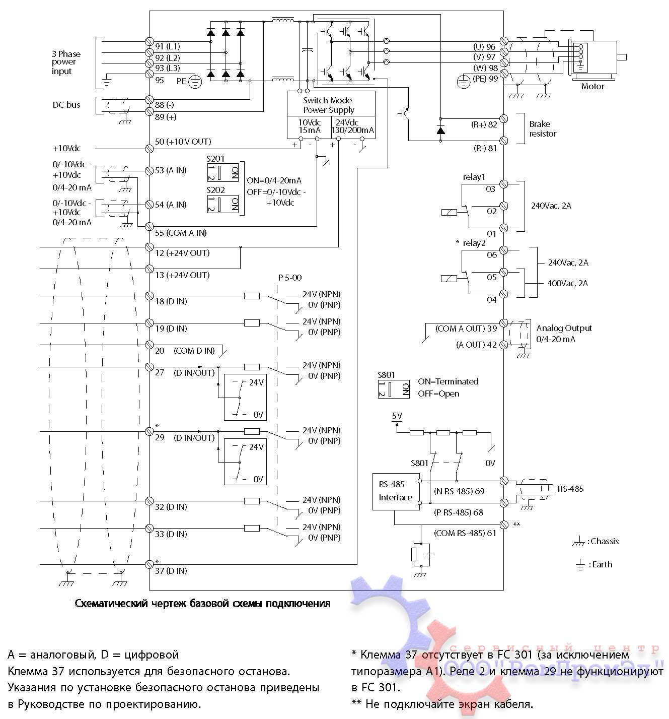
Типовые схемы подключения ПЧ DANFOSS
| Схематический черчеж базовой схемы подключения частотного преобразователя DANFOSS FC300 | |
![]() |
Частотные преобразователи DANFOSS: надежность и инновации
В современном мире автоматизации и энергоэффективности частотные преобразователи играют ключевую роль в оптимизации работы промышленного оборудования. Компания DANFOSS, являясь одним из лидеров в производстве приводов переменного тока, предлагает широкий спектр решений для различных областей применения.
Технологические преимущества
Частотные преобразователи DANFOSS построены на базе передовых микропроцессорных систем, обеспечивающих интеллектуальное управление электродвигателями. Благодаря инновационным технологиям достигается впечатляющая энергоэффективность – экономия электроэнергии может достигать 30%.
Особое внимание уделяется надежности устройств. Преобразователи соответствуют промышленным стандартам качества, обладают повышенной устойчивостью к перегрузкам и оснащены продвинутой системой защиты от электромагнитных помех.
Основные серии преобразователей
VLT® AutomationDrive FC 302 представляет собой универсальное решение мощностью от 0,37 до 250 кВт. Эта серия отличается широким диапазоном частот и встроенной защитой от перегрузок, способна эффективно работать даже в экстремальных условиях.
Для малых мощностей компания предлагает VLT® Micro Drive FC 51. Компактные размеры в сочетании с простотой монтажа делают эту серию идеальным решением для задач мощностью от 0,18 до 2,2 кВт.
VLT® HVAC Drive FC 100 специально разработан для систем вентиляции и кондиционирования. Преобразователи этой серии оснащены интегрированными функциями управления вентиляторами и полностью соответствуют стандартам HVAC.
Области применения
Частотные преобразователи DANFOSS находят широкое применение в различных отраслях промышленности. Они успешно используются в системах вентиляции и кондиционирования, насосных станциях, лифтовом оборудовании. Особое значение они имеют в пищевой и фармацевтической промышленности, где требуется высокая точность управления и надежность работы.
Сервисное обслуживание
Сервисный центр “РемПромЭл” предлагает комплексное обслуживание частотных преобразователей DANFOSS. Наши специалисты проводят профессиональную диагностику оборудования, выполняют ремонт любой сложности, осуществляют калибровку и настройку параметров работы. Мы также предоставляем услуги профилактического обслуживания и обеспечиваем поставку оригинальных запчастей для своевременного устранения неисправностей.
Выбор частотных преобразователей DANFOSS – это инвестиция в надежное и эффективное оборудование, которое обеспечит стабильную работу вашего производства. Профессиональное обслуживание специалистами “РемПромЭл” гарантирует длительную и безотказную работу преобразователей, позволяя вам сосредоточиться на основной деятельности.
Свяжитесь с нашими специалистами для получения консультации или записи на обслуживание – мы поможем подобрать оптимальное решение для ваших задач и обеспечим его надежную эксплуатацию.
Типы частотных преобразователей DANFOSS
| Частотник | Тип частотного преобразователя |
|---|---|
|
DANFOSS |
VLT6011HT4C20STR3D0F00A00C0; VLT6004HT4B20STR3DLF00A00C0; VLT6006HT4B20STR3DLF00A00C0; VLT6008HT4C54STR3DLF00A00C0; VLT6022HT4C20STR3DLF00A00C1; VLT6002HT4C20STR3DLF00A00C0; VLT8006AT4C20STR3DLF00A00C0; VLT8006AT4C20STR3DLF00A00; VLT8008AT4C20STR0F00A00C0; VLT6027BT4C20STR3DLF00A00C0; 6052HT4C54STR3DLF00A00C0; VLT6008HT4B20STR3DLF00A00C0; VLT6004HT4C20STR3DLF00; VLT6008HT4C20STR3DLF00A00C0; VLT6011HT4BC0STR3DLF00A00C0; VLT6004HT4C54STR3DLF00A00C0; VLT6002HT4C54STR3DLF00A00C0; VLT6016HT4C20STR3DLF00A00C0; VLT6011HT1C54STR3DLF00A00C0; VLT6005HT4C54STR3DLF00A00C0; VLT6004HT4C20STR3DLF00A00C0; 175H4425; 175H4426; 175H4427; 175H4428; 175H4429; 175H4430; 175H4431; 175H4432; 175H1679; 175H1680; 175H1681; 175H1682; 175H4402; 175H4403; 175H4404 ; 175H4405; 175H4406; 175H4407; 175H4408; 175H4473; 175H4474; 175H4475; 175H4476; 175H4477; 175H7247; 175H1007; 175H7248; 175H724; 175H1737; 175H1738; 175H1738; 175H1740; 175H7264; 175H7265; 175H7040; 175H7266; VLT5001PT5B20STR3D0F00A00; VLT5001PT5B20STR3D0F00A00C0; VLT5001PT5B20STR3D0F10A00C0; VLT5002PT5B20SBR3DLF00A00C0; VLT5002PT5B20STR3D0F00A00C0; VLT5002PT5C20STR3DLF00A00C0; VLT5002PT5C54STR3DLF00A00C0; VLT5002PT5C54STR3DLF00A00C1; VLT5003PT5B20SBR3D0F00A00C0; VLT5003PT5B20STR3DLF00A00C0; VLT5004PT5B20STR3D0F00A00C0; VLT5004PT5C20SBR3DLF00A00C0; FC-102P2K2T4E55H1XGXXXXSXXXXAXBXCXXXXDX; FC-102P5K5T4E55H1XGXXXXSXXXXAXBXCXXXXDX; FC-102P7K5T4E55H1XGXXXXSXXXXAXBXCXXXXDX; FC-102P3K0T4E55H2XGXXXXSXXXXAXBXCXXXXDX; FC-102P7K5T4E55H2XGXXXXSXXXXAXBXCXXXXDX; FC-102P30KT4E55H1XGXXXXSXXXXAXBXCXXXXDX; FC-202P90KT4E55H1XGXXXXSXXXXAXBXCXXXXDX; FC-202PK55T2E20H2XGXXXXSXXXXAXBXCXXXXDX; FC-202P2K2T2E20H2XGXXXXSXXXXAXBXCXXXXDX; FC-102P11KT4E55H2XGXXXXSXXXXAXBXCXXXXDX; VLT2803PS2B20STR1DBF00A00; VLT2805PS2B20SBR1DBF00A00; VLT2807PS2B20STR4DBF00A00; VLT2811PS2B20STR1DBF00A00; VLT2840PT4B20SBR0DBF10A00C0; VLT2840PT4B20STR1DBF10A00C0; VLT2855PT4B20SBR0DBF00A00C0; VLT2855PT4B20STR1DBF00A00C0; VLT2855PT4B20SBR1DBF00A00C0; VLT2875PT4B20SBR0DBF00A00C0; VLT2875PT4B20STR1DBF00A00C0; VLT2875PT4B20SBR1DBF00A00C0; VLT2880PT4B20STR3DBF10A00C0; VLT2881PT4B20STR0DBF00A00C0; VLT2881PT4B20STR3DBF00A00C0; VLT2840PT2B20SBR0DBF00A00C1; VLT2880PT4B20SBR3DBF00A00C1; VLT2855PT4B20SBR1DBF00A00C1; VLT2822PD2B20STR0DBF00A00C0; VLT2881PT4B20SBR3DBF00A00C1; VLT2803PD2B20STR0DBF00A00C0; VLT2803PS2B20STR1DBF00A00C0; VLT2803PD2B20STR0DBF10A00C0; VLT2803PD2B20SBR0DBF10A00C0; VLT2803PS2B20STR1DBF10A00C0; VLT2805PS2B20STR1DBF00A00C0; VLT2807PS2B20STR1DBF00A00C0; FC-302P3K0T5E20H2XGXXXXSXXXXAXBXCXXXXDX; FC-302P1K5T5E20H1XGCXXXSXXXXAXBXCXXXXDX; FC-302P5K5T5E20H1XGCXXXSXXXXAXBXCXXXXDX; FC-302P1K5T2E20H2XGCXXXSXXXXAXBXCXXXXDX; 280P1K1T4E20H2BXCXXXSXXXXAX; 280P2K2T4E20H2BXCXXXSXXXXAX; 280P4K0T4E20H2BXCXXXSXXXXAX; 280P1K1T4E20H2BXCXXXSXXXXA6; 280P2K2T4E20H2BXCXXXSXXXXA6; 280PK37T4E20H1BXCXXXSXXXXA0; 280PK55T4E20H1BXCXXXSXXXXA0; 280PK75T4E20H1BXCXXXSXXXXA0; 280P1K1T4E20H1BXCXXXSXXXXA0; 280P1K5T4E20H1BXCXXXSXXXXA0; 280P2K2T4E20H1BXCXXXSXXXXA0; 280P3K0T4E20H1BXCXXXSXXXXA0; FC-101P75KT4E5AH2XAXXXXSXXXXAXBXCXXXXDX; FC-101P1K5T4E5AH3XAXXXXSXXXXAXBXCXXXXDX; FC-101P4K0T4E5AH3XAXXXXSXXXXAXBXCXXXXDX; FC-101P11KT4E5AH3XAXXXXSXXXXAXBXCXXXXDX; FC-302P5K5T5E20H2BXXXXXSXXXXAXBXCXXXXDX; FC-302P3K0T5E20H1BGXXXXSXXXXAXBXCXXXXDX; FC-202PK55T4E20H2XGXXXXSXXXXAXBXCXXXXDX; FC-202P1K5T4E20H2XGXXXXSXXXXAXBXCXXXXDX; FC-301P5K5T4E20H2BGXXXXSXXXXAXBXCXXXXDX; FC-301P15KT4E20H2BGXXXXSXXXXAXBXCXXXXDX; FC-301P30KT4E20H2BGXXXXSXXXXAXBXCXXXXDX; FC-301P55KT4E20H2BGXXXXSXXXXAXBXCXXXXDX |
В таблице указаны далеко не все типы частотных преобразоватетей DANFOSS ремонт которых предлагает наш сервисный центр. Мы предлагаем качественный ремонт частотных преобразователей DANFOSS в Уфе абсолютно любого года выпуска.
Оставить заявку на ремонт частотного преобразователя DANFOSS
От того как и из каких комплектующих будет проводиться ремонт преобразователя зависит на сколько долго он сможет проработать в дальнейшем. Сделав правильный выбор, обратившись в сервисный центр "РемПромЭл" вы получите отремонтированный частотник в самые кратчайшие сроки, при этом мы стараемся использовать только оригинальные запасные части, на сколько это возможно, что дает возможность без каких либо рисков давать длинный гарантийный срок.
У вас есть проблемы с частотником? Вам нужен срочный ремонт частотного преобразователя DANFOSS или его настройка? Оставьте заявку на ремонт частотника DANFOSS в Уфе воспользовавшись одноименной кнопкой на сайте либо обратитесь к нашим менеджерам. Связаться с ними можно несколькими способами:

- Заказав обратный звонок (кнопка в правом верхнем углу сайта)
- Посредством чата (кнопка расположена с левой стороны сайта)
- Позвонив по номеру телефона: +7(927)610-78-70; +7(848)255-80-30
- Написав на электронную почту: Адрес электронной почты защищен от спам-ботов. Для просмотра адреса в вашем браузере должен быть включен Javascript.













